トップ
会社情報
事業内容
製品紹介
資料
サイトマップ
プライバシーポリシー
CONTACT
お問い合わせ
トップページ
製品紹介
汎用
VSF3-400
製品紹介
PRODUCTS
VSF3-400
用途
マンホール・ピット内の残水処理
河川工事などの残水処理
フロアーの残水処理
受水槽やタンクの残水処理
仕様
口径
電圧
電力量
揚程
揚水量
重量
ケーブル長
2吋
100V
0.4Kw
8m
0.06㎥
11Kg
5m
図面および仕様書
ポンプ仕様書
PDFダウンロード
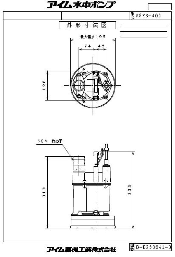
外形寸法図
PDFダウンロード
構造図部品表
PDFダウンロード