トップ
会社情報
事業内容
製品紹介
資料
サイトマップ
プライバシーポリシー
CONTACT
お問い合わせ
トップページ
製品紹介
汎用
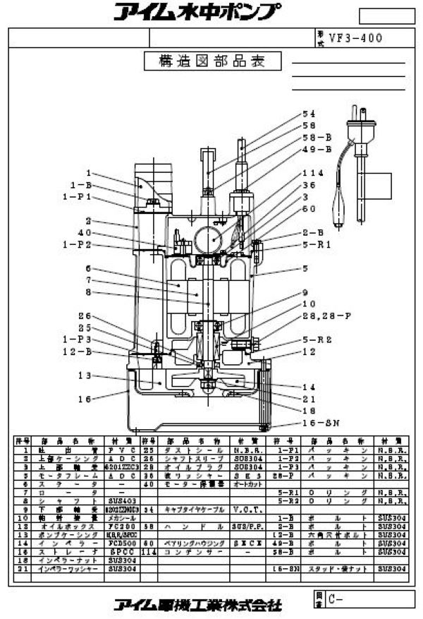
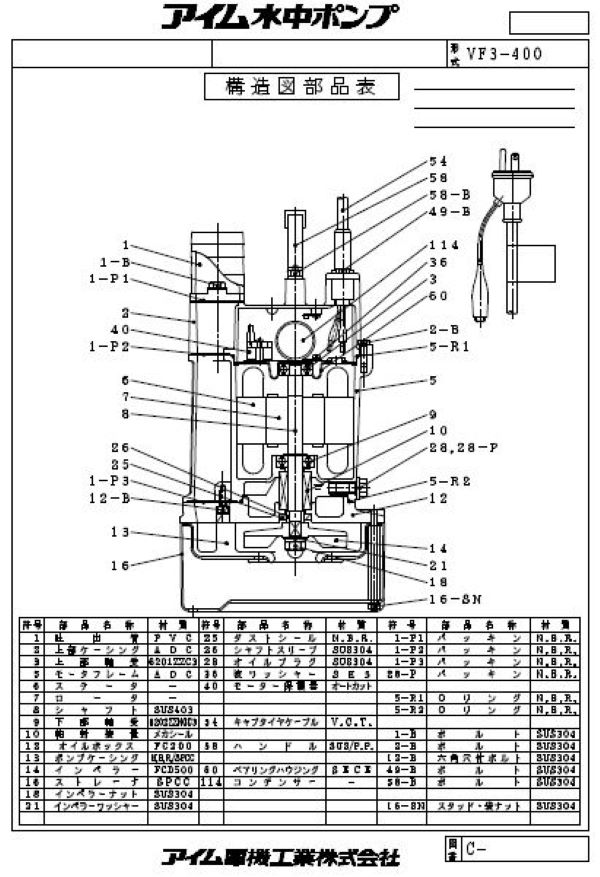
VF3-400
製品紹介
PRODUCTS
VF3-400
用途
農作業の散水
地下ガレージの排水
機械室・地下室のピット排水
雨水・湧水・溜まり水の排水
受水槽の清掃
プールタンクの排水
洗車・農機具の洗浄
仕様
口径
電圧
電力量
揚程
揚水量
重量
ケーブル長
2吋
100V
0.4Kw
8m
0.1㎥
11Kg
5m
図面および仕様書
ポンプ仕様書
PDFダウンロード
外形寸法図
PDFダウンロード
構造図部品表
PDFダウンロード