トップ
会社情報
事業内容
製品紹介
資料
サイトマップ
プライバシーポリシー
CONTACT
お問い合わせ
トップページ
製品紹介
汎用
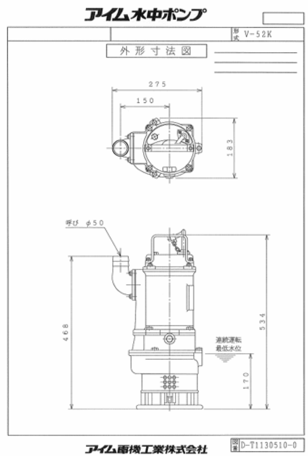
V-52K
製品紹介
PRODUCTS
V-52K
用途
砂利・土砂・ヘドロ等の採取・排出用
地下鉄・トンネル工事の土砂排送
沈砂池の排水
その他一般土木建設工事の排水
仕様
口径
電圧
電力量
揚程
揚水量
重量
ケーブル長
2吋
200V
1.5Kw
12m
0.3㎥
27Kg
10m
図面および仕様書
ポンプ仕様書
PDFダウンロード
外形寸法図
PDFダウンロード
構造図部品表
PDFダウンロード