トップ
会社情報
事業内容
製品紹介
資料
サイトマップ
プライバシーポリシー
CONTACT
お問い合わせ
トップページ
製品紹介
汎用
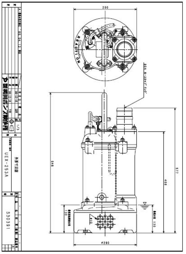
UEX-253A
製品紹介
PRODUCTS
UEX-253A
用途
土木、建設工事の自動排水
雨水、湧水、溜り水の自動排水
夜間工事現場の自動排水
マンホール、地下道のピット自動排水
工場の溜升など、不定期に溜まる水の自動排水
仕様
口径
電圧
電力量
揚程
揚水量
重量
ケーブル長
4吋
200V
3.7Kw
10m
0.85㎥
39Kg
10m
図面および仕様書
ポンプ仕様書
PDFダウンロード
想定曲線図
PDFダウンロード
外形寸法図
PDFダウンロード