トップ
会社情報
事業内容
製品紹介
資料
サイトマップ
プライバシーポリシー
CONTACT
お問い合わせ
トップページ
製品紹介
汎用
EL-1515
製品紹介
PRODUCTS
EL-1515
用途
高層ビルの揚水、消火栓等の完全排水
トンネル工事の揚排水
河川工事の排水
雑排水の揚排水
仕様
口径
電圧
電力量
揚程
揚水量
重量
ケーブル長
6吋
200V
11Kw
15m
2㎥
165Kg
10m
図面および仕様書
ポンプ仕様書
PDFダウンロード
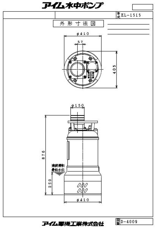
外形寸法図
PDFダウンロード
構造図部品表
PDFダウンロード