トップ
会社情報
事業内容
製品紹介
資料
サイトマップ
プライバシーポリシー
CONTACT
お問い合わせ
トップページ
製品紹介
汎用
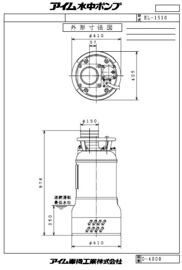
EL-1510
製品紹介
PRODUCTS
EL-1510
用途
土木工事排水用
各種工場での揚水・排水用
浄化槽の排水
工場・設備における排水・液送・攪拌
その他一般排水用
仕様
口径
電圧
電力量
揚程
揚水量
重量
ケーブル長
6吋
200V
7.5Kw
10m
2㎥
165Kg
10m
図面および仕様書
ポンプ仕様書
PDFダウンロード
外形寸法図
PDFダウンロード
構造図部品表
PDFダウンロード